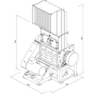
SERIE GR

Granulatori dall'elevata capacità produttiva per la macinazione di grandi quantità di: scarti di lastre, profili e tubi di grandi sezioni, rotture nelle linee BOPP e BOPET. Peculiarità delle macchine di questa serie sono: l'ampia superficie di scarico delle griglie, i gruppi di traino con grip aumentato per assicurare il trascinamento del film, i dispositivi di sicurezza per evitare condizioni di pericolo per l'operatore. Possibile posizionamento in buca per un'alimentazione più agevole.

Estrusione

15090 tech image 1

GR 15090

Film

20090 tech image 1

GR 20090